電路系統的線性獨立特性(Linearly Independent of Circuitry)
電路系統的線性獨立特性(Linearly Independent of Circuitry)
國立台灣師範大學附屬高級中學物理科陳智勝老師/國立臺灣師範大學物理系蔡志申教授責任編輯
一般的電路分析,我們可以利用等效電阻公式將線路化簡,其中 n 個電阻的串連線路其總電阻為
。 n 個電阻的並聯線路其總電阻為
。再利用歐姆定律 V = IR(V 為電阻兩端的電壓, I 為流經電阻之電流, R 為電阻)即可得到線路各處之電流量值,與各電阻兩端的電壓值。
若是處理較複雜的電路,則可以利用克希何夫定律(Kirchhoff circuit laws)來加以分析。其中克希何夫電路定律的兩大定則為: 1. 任一節點流進的電流值等於流出的電流值。 2. 任一迴路的電位變化為零。這兩大定則分別為電荷守恆與能量守恆的必然結果。
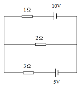
例如有一電路如下所示:
若想知道流經 2Ω 電阻的電流為何,一般的解題方式為利用克希何夫定律來分析。
解題方式如下:首先必須假設各線路的淨電流如下圖所示。

然後再根據克希何夫定律列出相關方程式:
1. 任一節點流進的電流量值等於流出的電流量值。
I1 = I2 + I3
2. 任一迴路的電位變化為零。
10 - I1 × 1 - I2 × 2 = 0
5 + I3 × 3 - I2 × 2 = 0
將三式解聯立方程式,即可得到流經2Ω電阻的電流值為 I2 = 35/11 (A)
除此之外,我們打算利用電路的線性獨立性,來解出 I2 。方式如下:
首先,我們先將線路取走 5V 電池,只留下 10V 的電池,如下圖所示。如此一來電路便大幅簡化,變成一般串並聯的電路。

如此利用等效電阻以及歐姆定律,即可計算出此時的流經 2Ω 電阻的電流值為 Ia = 30/11 (A)
其次,將原電路中的 10V 電池取走,只留下 5V 電池,變成如下圖所示。

上述的動作即是分別計算 10V 和 5V 電池對於 2Ω 電阻的電流貢獻,分別是 Ia 與 Ib 。此時我們發現 Ia + Ib 的值即可得到 I2。
值得注意的是,在計算的過程之中,我們並無利用複雜的電路分析、解聯立方程式,亦可得到和克希何夫定律分析出來的結果相同。這樣的分析方式確實是一個可行的解題方法,而且其優點在於可以避免繁瑣的計算過程,即可得出複雜線路中的電流值。
探究其原因在於電阻器是一種線性元件,即電阻器上若加上 V1 電壓,對應得到 V1電流;若加上 2V1電壓,則所得的電流也是倍增為 2V1 。因此電路中的電動勢對於電阻的電流貢獻是獨立的。故我們分別計算兩個電動勢對於電路上電阻的電流貢獻,再線性相加其值,即可得到總電動勢對於該電阻的電流貢獻。
參考資料:
1.維基百科–克希何夫電路定律 http://en.wikipedia.org/wiki/Kirchhoff%27s_circuit_laws


前一篇文章
下一篇文章
